Китай
- Выполняем гарантийные и сервисные обязательства, в штате сертифицированные инженеры-электронщики, инженеры-механики
- Проводим пусконаладочные работы и постгарантийное обслуживание
- Консультируем для самостоятельного проведения ТО
- Доставляем оперативно и своевременно

Станина
Цельнолитая станина с углом наклона 30 градусов имеет низкий центр тяжести, что обеспечивает дополнительную виброустойчивость и точность при обработке. Площадь контакта шпиндельной бабки и станины препятствует возникновению вибраций при точении, обеспечивает максимальную стабильность при высокопроизводительной обработке, а также увеличивает срок эксплуатации станка.
Используется обработанное литье из мелкозернистого сталистого чугуна Механайт (Meehanite), который обладает превосходными демфирующими характеристиками. Такая конструкция обеспечивает повышенную жёсткость и отсутствие деформаций во время резания на тяжелых режимах. Угол наклона станины обеспечивает легкую загрузку, замену и проверку инструментов.

Шпиндель
Скоростной шпиндель с высоким крутящим моментом обеспечивает отличные показатели точности.
Уникальная конструкция шпиндельного узла минимизирует вращательную инерционную нагрузку, повышает жесткость и сокращает время ускорения шпинделя. Высокоскоростной высокоточный радиально-упорный шарикоподшипник шпинделя сводит к минимуму выделяемое при вращении тепло, обеспечивая стабильность и жесткость даже при длительной работе на высоких оборотах.

Направляющие
Станок оснащен направляющими качения роликового типа, позволяющими производить точение с высокой точностью и чувствительностью позиционирования. Направляющие качения обладают малой силой трения, что обеспечивает наименьшие усилия перемещения узлов и равномерность медленных перемещений. Также за счет конструкции направляющих увеличен срок службы и снижены требования к обслуживанию узла.

Револьверная голова
12-ти позиционная серво-гидравлическая револьверная головка BMT45 (SWIFT) позволяет использовать различные комбинации инструмента. Конструкция головки обеспечивает высокоточную фиксацию при смене инструмента и высокую скорость обработки. Серво-гидравлическая револьверная головка, обеспечивает хорошую повторяемость, высокую эффективность и скорость смены инструмента — 0,15 сек. в соседнюю позицию.

Задняя бабка
Массивный корпус задней бабки с гидравлическим выдвижением пиноли позволяет легко и быстро расположить её в соответствии с габаритами заготовки, сокращая время простоя оборудования.

Система ЧПУ
Модель комплектуется системой ЧПУ DN Solution Fanuc i-Series, которая базируется на ЧПУ FANUC 0i-TF Plus, она имеет большой функционал:
- Объём памяти 2Мб
- Количество УП для хранения в памяти ЧПУ – 1000 шт.
- Средства кастомизации интерфейса (FANUC Picture)
Технические характеристики
| Наименование |
Ед.изм. |
Значение |
|
| Параметры обработки | Проворачиваемый диаметр над станиной |
мм |
Ø510 |
| Проворачиваемый диаметр над суппортом |
мм |
Ø290 |
|
| Рекомендуемый диаметр обработки |
мм |
Ø210 |
|
| Максимальный диаметр точения |
мм |
Ø250 |
|
| Максимальная длина точения |
мм |
480 |
|
| Диаметр прутка |
мм |
Ø65 |
|
| Шпиндель | Диаметр патрона |
дюйм |
8 |
| Торец шпинделя |
- |
А2-6 |
|
| Диаметр сквозного отверстия шпинделя |
мм |
Ø76 |
|
| Диаметр подшипника шпинделя (передний/задний) |
мм |
Ø110/ Ø100 |
|
| Мощность шпинделя (пост. / 30 мин) |
кВт |
15/18,5 |
|
| Максимальные обороты шпинделя |
об/мин |
4500 |
|
| Крутящий момент шпинделя |
Н*м |
176,7 |
|
| Перемещения | Перемещение по оси X |
мм |
175 |
| Перемещение по оси Z |
мм |
550 |
|
| Ускоренные перемещения осей X/Z |
м/мин |
30/36 |
|
| Привода осей X/Z |
кВт |
1,8/1,8 |
|
| Перемещение по оси С |
° |
360 |
|
| Ускоренные перемещения оси С |
Об/мин |
200 |
|
| Точность | Точность позиционирования Z |
мм |
0,02 |
| Повторяемость Z |
мм |
±0,003 |
|
| Точность позиционирования X |
мм |
0,01 |
|
| Повторяемость X |
мм |
±0,002 |
|
| Точность позиционирования С |
° |
0,0167 |
|
| Повторяемость С |
° |
±0.006 |
|
| Револьверная головка | Количество позиций инструмента |
шт. |
12 |
| Скорость вращения приводного инструмента |
Об/мин |
6000 |
|
| Мощность приводного инструмента (пост. / 10 мин.) |
кВт |
1,1/3,7 |
|
| Размер держателя инструмента для наружной обработки |
мм |
20*20 |
|
| Диаметр держателя для расточного инструмента (одиночный / двойной блок) |
мм |
Ø32/25 |
|
| Время смены инструмента |
сек |
0,15/0,11 |
|
| Задняя бабка | Диаметр пиноли |
мм |
65 |
| Конус пиноли |
- |
МТ-4 |
|
| Выдвижение пиноли |
мм |
80 |
|
| Усилие прижима |
кН |
3,6 |
|
| Прочее | Общая потребляемая мощность |
кВ*А |
24 |
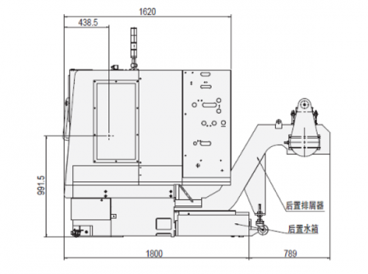
| Размеры станка (Д*Ш*В) |
мм |
2795*1620*1650 |
|
| Масса станка |
кг |
3 300 |
|
| Система ЧПУ |
- |
DN Solution Fanuc i-Series |
|
Стандартная комплектация
- Система ЧПУ DN Solution Fanuc i-Series
- 3-кулачковый гидравлический патрон Ø 8 дюймов
- Датчик зажима / разжима патрона
- 1 комплект мягких кулачков, 1 комплект каленых кулачков
- 12-ти позиционная приводная револьверная головка (BMT45P) + ось С на главном шпинделе
- Стартовая оснастка для револьверной головки:
- держатель расточного инструмента – 5 шт.
- держатель инструмента для наружной обработки – 4 шт.
- держатель инструмента для торцевой обработки – 1 шт.
- осевой приводной блок – 1 шт.
- радиальный приводной блок – 1 шт.
- набор втулок для расточного инструмента
- Задняя бабка с ручным перемещением по станине и гидравлическим приводом пиноли
- Вращающийся центр МТ4
- Педаль управления задней бабки
- Гидравлическая станция
- Автоматическая система смазки
- Сигнальная лампа
- Централизованная подача СОЖ
- Пистолет СОЖ
- Пистолет сжатого воздуха
- Блокировка дверей
- Освещение рабочей зоны
- Защитный кожух
- Кабинетная защита рабочей зоны
- Конвейер стружки
- Система измерения инструмента Renishaw
- Комплект технической документации на русском языке
- Комплект инструмента для наладки и обслуживания станка
- Комплект выравнивающих болтов и опор для установки станка
- Трансформатор
Оставьте заявку
Перезвоним в течение рабочего дня. Обсудим задачи, найдем оптимальное решение и запланируем работы.
Будем на связи!


