Измерительные инструменты в компании "ИНКОР" в
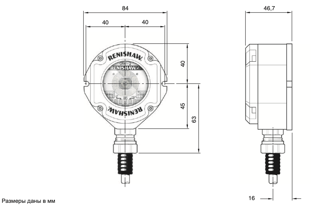
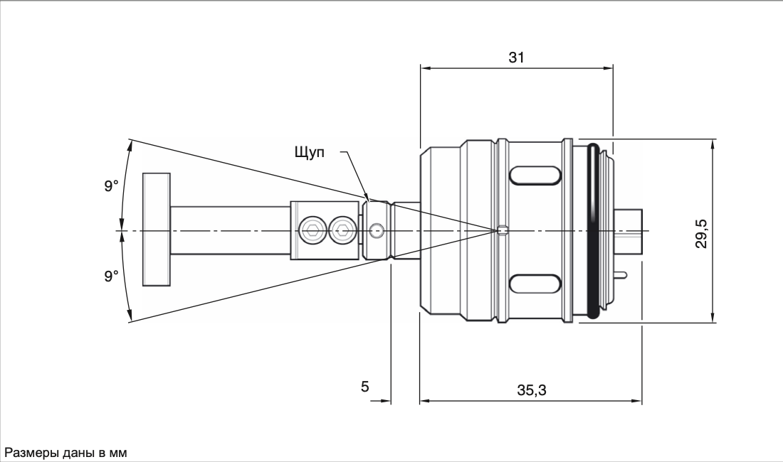
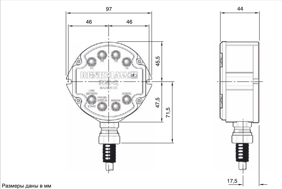
Измерительный щуп - это специальный измерительный прибор, который используется на фрезерных станках или обрабатывающих центрах. С его помощью колеблется положение шпинделя на станке, определяется длина, глубина, кривизна поверхности детали, выставляются нулевые точки и пр. Таким образом данный инструмент позволяет правильно установить заготовку, зажимные устройства и оценить готовую деталь. Использование на производстве измерительного щупа сокращает время наладки станка, что повышает время его эксплуатации. Увеличивается точность производимых деталей. Подобрать измерительные приборы для решения ваших производственных задач можно в нашем каталоге. В нем указаны все характеристики, особенности и преимущества каждого устройства. Наш сервисный центр осуществляет необходимые пусконаладочные процессы, диагностику оборудования и, если понадобится, аварийный ремонт.
Компания «Инкор» образовалась в 2014 году с целью импорта металлообрабатывающего оборудования и станочной оснастки российским предприятиям. Современный «Инкор» - это не только крупный поставщик со штатом более 140 человек и полным комплексом сервисных услуг, но и производственная компания с собственной линейкой инновационного оборудования.
ООО «Инкор» специализируется на поставках продукции крупнейших станкостроительных предприятий и производителей станочной оснастки стран Азии, Турции, Белоруссии, России.
Полный цикл поставки, обслуживания
и инжиниринг
Обслуживание станков с ЧПУ и без в несколько этапов
-
1
Подбор
-
2
Поставка
-
3
Монтаж
-
4
ПНР
-
5
Запуск
-
Обслуживание
Отзывы о нашей работе
Благодарим команду «Инкор» за быструю и качественную поставку универсального заточного станка М-40. Мы оценили ваше внимание к деталям, качество оборудования и достойный уровень сервиса.
Выражаю искреннюю благодарность за поставку и проведение пуско-наладочных работ заточного станка TA-5 и круглошлифовального TP-4. Ваша компания зарекомендовала себя как надежный и ответственный поставщик, выполняющий обязательства...
Благодарим специалистов ООО "Инкор" за оперативную поставку поворотного стола Detron модели GXA-210S и последующие пусконаладочные работы на высокоскоростном фрезерном обрабатывающем центре с ЧПУ Kemt MT50BL M...
Перед сотрудниками ООО "ИНКОР" стояла задача подбор и поставка поворотного стола "Detron". Было очень приятно ощущать со стороны работников Вышей компании оперативность и технически грамотное отношение к работе...
В связи с расширением производственных мощностей, наша компания приобрела у вас фрезерный обрабатывающий центр Extron M1100.
За время работы оборудование не имеет никаких нареканий, как со стороны эксплуатации станка, так и со стороны...
Видео отзывы
Оставьте заявку
Перезвоним в течение рабочего дня. Обсудим задачи, найдем оптимальное решение и запланируем работы.
Будем на связи!

