Англия
- Проводим пусконаладочные работы
- Гарантия 12 месяцев
- Новое оборудование от производителя
- Свой склад в Перми
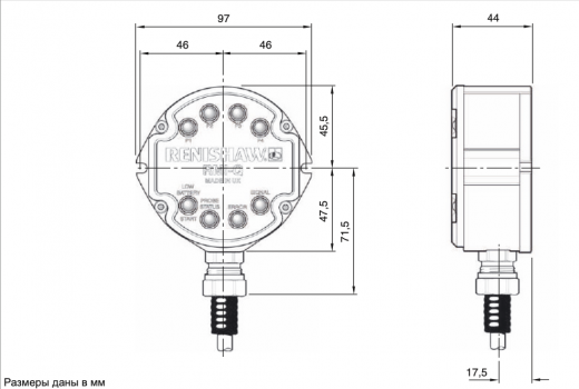
Блок, объединяющий передатчик, приемник и интерфейс, который обеспечивает включение по радиосигналу и работу до четырех отдельных датчиков компании Renishaw с передачей радиосигнала (радиодатчиков). Это делает возможным использование на одном и том же станке самые разные комбинация радиодатчиков и/или устройств наладки инструмента с передачей радиосигнала. Блок допускает установку в любом месте в пределах рабочего пространства станка, что упрощает и ускоряет процедуру установки. В отличие от систем с оптической передачей сигнала, прямая видимость между датчиком и приемником не является обязательной.
Использование блока RMI-Q вместе c несколькими радиодатчиками Renishaw представляет собой идеальное решение для модернизации существующих станков.
Основные характеристики и преимущества
- Использование до четырех датчиков с единственным блоком, включающим интерфейс и приемник.
- Допускаемый во всем мире диапазон частот 2,4 ГГц – соответствие нормативным требованиям к радиосвязи на всех крупных рынках.
- Радиопередача по методу частотных скачков (технология FHSS).
- Исключительно низкая чувствительность к помехам от других источников радиосигналов обеспечивает стабильны и надежные рабочие характеристики.
- Несколько радиодатчиков компании Renishaw может надежно работать одновременно в цехах любого размера.
- Надежная связь на больших расстояниях делает устройство RMI-Q идеальным решением для больших станков.
| Технические характеристики: | |||
| Основное назначение | Любые обрабатывающие центры, 5-координатные станки, двухшпиндельные станки и вертикальные токарно-карусельные станки | ||
| Способ передачи сигнала | Радиопередача по методу частотных скачков (технология FHSS). Диапазон радиочастот 2400 МГц – 2483,5 МГц | ||
| Регионы с разрешением на использование приемно- передающего радиоустройства | Китай, Европа (все страны в составе Евросоюза), Япония и США. Сведения о других регионах можно получить у компании Renishaw. | ||
| Количество датчиков на систему | Включение по радиосигналу, запускаемому по M-коду: до четырех. Включение вращением или с выключателя на хвостовике: неограниченно | ||
| Совместимые датчики | RMP40, RMP40M, RLP40, RMP60, RMP60M, RMP600 и RTS | ||
| Рабочий диапазон | До 15 м | ||
| Масса |
RMI-Q с кабелем длиной 8 м: 1050 г RMI-Q с кабелем длиной 15 м: 1625 г |
||
| Напряжение питания | От 12 до 30 В пост. тока | ||
| Потребляемый ток | 250 мА при 24 В (пиковое значение), 100 мА (стандартные условия) | ||
| Настраиваемые входные данные M-кода | Импульсный или потенциальный сигнал | ||
| Выходной сигнал |
Сигнал 1 о состоянии датчика, батарея разряжена, ошибка Сухие контакты твердотельного реле (SSR), нормально разомкнутые или нормально замкнутые. Сигнал 2a о состоянии датчика Выходной сигнал, управляемый отдельным напряжением 5 В, инвертируемый Сигнал 2b о состоянии датчика Выходной сигнал, управляемый напряжением питания, инвертируемый. |
||
| Защита входа/выхода | Защита питания обеспечивается автоматическим предохранителем. Выходы защищены схемой защиты от перегрузок по току | ||
| Светодиодные индикаторы диагностики | Запуск, батарея разряжена, состояние датчика, ошибка, уровень мощности сигнала и состояния системы P1, P2, P3, P4 | ||
|
Кабель (к интерфейсу) |
Характеристики | Ø7,6 мм, 16-жильный экранированный кабель, каждая жила 18 × 0,1 мм | |
| Длина | Стандартная: 8 м, 15 м По заказу: 30 м, 50 м | ||
| Монтаж | Монтаж на плоскую поверхность или с определенной ориентацией с помощью дополнительной монтажной скобы (заказывается отдельно) | ||
| Класс защиты | IPX8 (EN/IEC 60529) | ||
| Рабочая температура | От +5 °C до +55 °C | ||
Оставьте заявку
Перезвоним в течение рабочего дня. Обсудим задачи, найдем оптимальное решение и запланируем работы.
Будем на связи!


