Тайвань
Универсальный заточной станок М-60 предназначен для заточки резцов, фрез и осевого инструмента, а также шлифования небольших деталей.
Наклонная шлифовальная бабка:
Шлифовальная бабка может легко наклоняться до ±15º с поворотом на 360º в горизонтальной плоскости. Шлифовальная бабка может шлифовать под любым углом. Две пары радиально-упорных подшипников предназначены для поддержки шпинделя и затягиваются гайками. Внутренняя часть шлифовальной головки смазана специальной смазкой и дальнейшее обслуживание не требуется.
Универсальная рабочая головка:
Рабочая головка может вращаться и точно регулироваться под любым углом, в горизонтальном или вертикальном положении. Шпиндель с одной стороны имеет конус NT-50 (BT-50) и с другой стороны MT-5.
Рабочий стол:
Рабочий стол может вращаться на 120º с градуированной шкалой ±60º. В то же время рабочая головка может поворачиваться на 360º, чтобы шлифовать различные режущие инструменты.
Подачи:
Подача рабочего стола может регулироваться с различной скоростью, как на низкой, так и на высокой скорости.
Рабочий стол имеет рукоятку подачи с обеих сторон; в то время как рукоятка сцепления на правой стороне управляет более низкой скоростью, чтобы увеличить точность.
Задняя бабка:
Два вида задней бабки: одна с фиксацией пиноли болтом, а другая фиксируется давлением пружины. Комбинация задней бабки и рабочей головки очень хорошо работает для стабильного удержания заготовки и достижении наилучшего результата шлифования.
Система смазки:
Станок имеет централизованную систему смазки, которая обеспечивает равномерную подачу смазки в каждый узел. Такая система смазки обеспечивает отличную работу станка, а также продлевает срок службы.
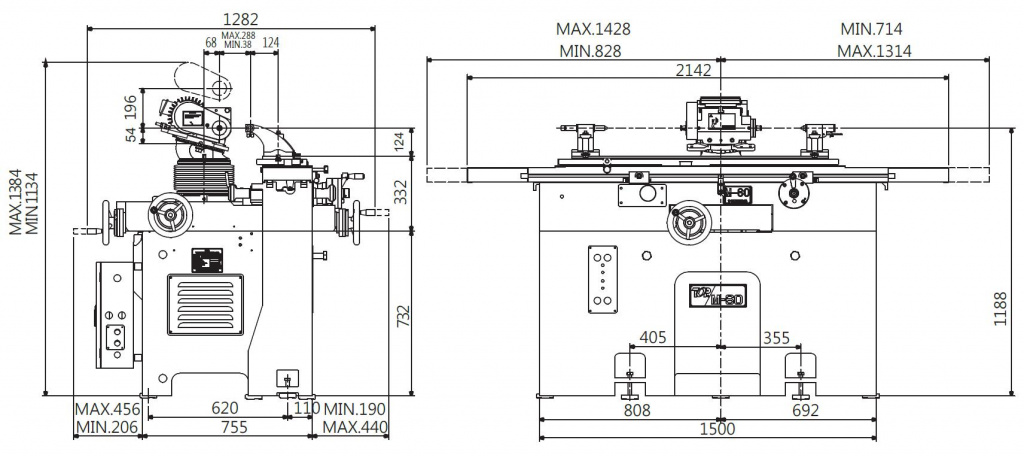
Габаритные размеры станка:

|
Обучающий курс в подарок!
Так как станки M-60 и M-40 имеют схожие технические характеристики, к M-60 применима учебная программа, разработанная специалистами компании «Инкор» для освоения M-40. Приобретая станок модели M-60, вы получите доступ к материалам курса для самостоятельного освоения работы с основным инструментарием оборудования. |
|
Наименование |
Значение |
Единицы измерения |
|
|
Продольное перемещение стола (ось Х) |
600 |
мм |
|
|
Расстояние между центрами |
900 |
мм |
|
|
Поперечное перемещение суппорта (ось Y) |
250 |
мм |
|
|
Вертикальное перемещение шлифовальной головки (ось Z) |
250 |
мм |
|
|
Расстояние между задней бабкой и рабочей головкой |
780 |
мм |
|
|
Конус рабочей головки |
МК5 |
|
|
|
NT50 (BT 50 Опция) |
|
||
|
Стол |
T-образный паз |
15 |
мм |
|
Размер стола |
135 x 1140 |
мм |
|
|
Угол поворота стола |
±60 |
град |
|
|
Регулировка стола |
±10 |
град |
|
|
Шлифовальная головка |
Скорость шлифовального шпинделя |
2600, 3700, 6200 |
об/мин |
|
Мощность шпинделя |
1,1 |
кВт |
|
|
Наклон шлифовальной головки |
+15 |
град |
|
|
Угол вращения шлифовальной головки |
360 |
град |
|
|
Расстояние между центром шпинделя и столом |
Мин 50/Макс 300 |
мм/мм |
|
|
Расстояние между центром шпинделя и Т-образным слотом |
Мин 165/ Макс 415 |
мм/мм |
|
|
Прочее |
Д x Ш x В |
2740 x 1550 x 1384 |
мм |
|
Вес |
1260 |
кг |
|
- Установочные опоры
- Удлинитель шпинделя с фланцем (Ø31,75 мм)
- Рабочая головка
- Шлифовальный круг (PA 90х38х31,75 мм)
- Задняя бабка (правая)
- Шлифовальный круг (GC 125х38х31,75 мм)
- Центроискатель
- Шлифовальный круг (WA 150х13х31,75 мм)
- Выталкиватель
- Шлифовальный круг (GC 150х13х31,75 мм)
- Центр для шпинделя рабочей головки MT5
- Шлифовальный круг (WA 150х19х31,75 мм)
- Держатель алмазного карандаша с алмазным карандашом
- Затяжной болт для рабочей головки
- Комплект шайб для шлифовального круга
- Ключ для шлифовального круга
- Защитный кожух шлифовального круга Ø90
- Цанговый ключ
- Защитный кожух шлифовального круга Ø110
- Фиксатор для съёма шлифовального круга
- Защитный кожух шлифовального круга Ø125
- Гаечный ключ (17-19 мм)
- Защитный кожух шлифовального круга Ø150
- Гаечный ключ (19 мм)
- Держатель защитного кожуха шлифовального круга (короткий)
- Гаечный ключ (24 мм)
- Держатель защитного кожуха шлифовального круга (длинный)
- Ящик с инструментами
- Фланец шлифовального круга – 2 шт.
Оставьте заявку
Перезвоним в течение рабочего дня. Обсудим задачи, найдем оптимальное решение и запланируем работы.
Будем на связи!

