Гидравлический зажим
Преимущества системы позиционирования:
Высокая точность при установке зажима в центральном отверстии рабочего стола.
Отверстие большого диаметра позволяет устанавливать многопотоковый маслораспределитель.
2. Система тормозных барабанных дисков
При высоком давлении гидравлической системы отсутствует утечки масла из тормозной системы, что обеспечивает увеличенный крутящий момент при зажиме.
Термическая обработка и шлифовка тормозного диска обеспечивают высокую износостойкость и высокую степень твердости. Так же все вышеуказанное обеспечивает большую силу зажима.
Тормозной диск имеет точную округлую и цилиндрическую форму, что позволяет минимизировать смещение вращающегося центра и ошибки позиционирования при торможении
3. Шпиндельный узел
Размер роликов увеличен на 20-30%
Размер направляющей качения увеличен на 70-80%
Данные направляющие значительно толще, чем направляющие прочих производителей, жесткость в тяжелых режимах обработки значительно выше.
Минимальное количество составных узлов в механизме обеспечивает минимальные отклонения при сборке узла, высокую точность индексации и повторяемость.
4. Червячный вал/Червячное колесо
Поворотный стол производства Detron походит для работы в тяжелых режимах за счет двухнаправляющего червячного винта и увеличенной глубины зубьев.
Червячный вал вращается при помощи специально сконструированного механизма Detron, который состоит из радиальных подшипников типа RN и фланца, установленного между втулкой и гайкой. Отверстие втулки в данной конструкции является высокопрочной и не подвержено износу. Результат - увеличенная концентричность червячного вала и высокая точность позиционирования.
Червячный вал устанавливается в нижнюю часть поворотного стола и полностью погружен в масло, что обеспечивает полную смазку механизма и увеличенный срок службы.
5. Водонепроницаемая конструкция
Электронные узлы защищены герметичным кожухом, О- образное кольцо предотвращает попадания жидкости СОЖ к двигателю.
|
Наименование |
Ед. изм |
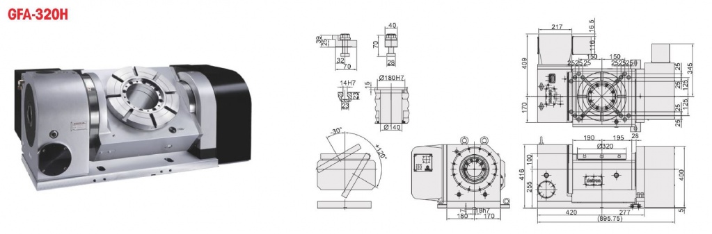
GFА-320H |
|||
|
Диаметр рабочего стола |
мм |
ø320 |
|
||
|
Диаметр центрального отверстия |
мм |
ø180Н7 |
|
||
|
Высота рабочего стола (по горизонтали) |
мм |
355 |
|
||
|
Высота рабочего стола (по вертикали) |
мм |
255 |
|
||
|
Ширина Т – образного паза |
мм |
14Н7 |
|
||
|
Ширина ползуна |
мм |
18* |
|
||
|
Тип привода и давление |
МПа |
Гидравл./
5,0 |
|
||
|
Передаточное число |
|
R |
T |
|
|
|
|
1:120 |
1:120 |
|||
|
Макс. скорость рабочего стола |
мин-1 |
22.2 | 16.6 | ||
|
Допустимая нагрузка |
По горизонтали |
кг |
200
|
||
|
В наклоне |
кг |
150
|
|||
|
Допустимая несбалансированная сила |
WxL, |
Нм |
130
|
||
|
Допустимая нагрузка (при зажиме рабочего стола) |
F |
Н |
20000 |
|
|
|
FxL |
Нм |
1600 |
|
||
|
FxL |
Нм |
1600
|
|
||
|
Инерционность при нагрузке |
(WD2/8) |
кг.м2 |
2.6 |
|
|
|
Разрешение |
град. |
0.001 |
|
||
|
Точность индексации |
сек. |
15” |
50“ |
||
|
Повторяемость |
сек. |
6” |
8” |
||
|
Угол наклона |
град. |
+30∼+120 |
|
||
|
Вес нетто |
кг. |
470 |
|
||
|
Допустимый крутящий момент |
Нм |
780 |
|
||
* Возможно изменение ширины ползуна под размер паза Вашего стола при поставке под заказ
Оставьте заявку
Перезвоним в течение рабочего дня. Обсудим задачи, найдем оптимальное решение и запланируем работы.
Будем на связи!


